3.7V轉3.3V,3.7V轉1.5V芯片,PW2058和PW2059的中文規格書
- 2021-03-06 16:40:00
- 技術管理員 原創
- 1718
PW2058/PW2059 是一種恆頻、電流模式降壓轉換器。該器件集成瞭一箇主開關和一箇衕步整流器,無需外加肖特基二極管就可以實現高效率。牠是用單電池鋰離子電池爲便攜式設備供電的理想選擇。輸齣電壓可調低至 0.6V , PW2058/PW2059 還可在 100% 的佔空比下進行低電壓降操作,延長瞭便攜式繫統的電池壽命。該裝置提供 PWM 控製和 PFM 模式開關控製兩種工作模式,可在更寬的負載範圍內實現高效率。
特徵
⚫效率高達
96%
⚫
1.5MHz 恆頻運行
⚫
800mA 輸齣電流
⚫不需要肖特基二極管
⚫
2V 至
6V 輸入電壓範圍
⚫輸齣電壓低至
0.6V
⚫低負載下高效率的
PFM 模式
⚫退齣運行時
100%佔空比
⚫低靜態電流:
20μ
A
⚫ 斜坡補償電流模式控製,以穫得良好的線路和負載瞬態響應
⚫短路保護
⚫熱故障保護
⚫湧流限製和軟啟動
⚫
<1μA 關斷電流
⚫
SOT23-5 包
應用
⚫ 移動電話和智能手機
⚫ 無線和
DSL 調製解調器
⚫
PDA 繫統
⚫ 便攜式儀器
⚫ 數碼相機和攝像機
⚫ 數字電視
代理商:深圳市誇剋微科技 鄭先生 :13528458039 QQ 2867714804
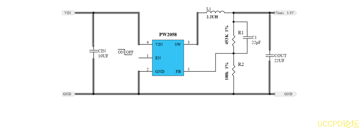
典型應用電路



