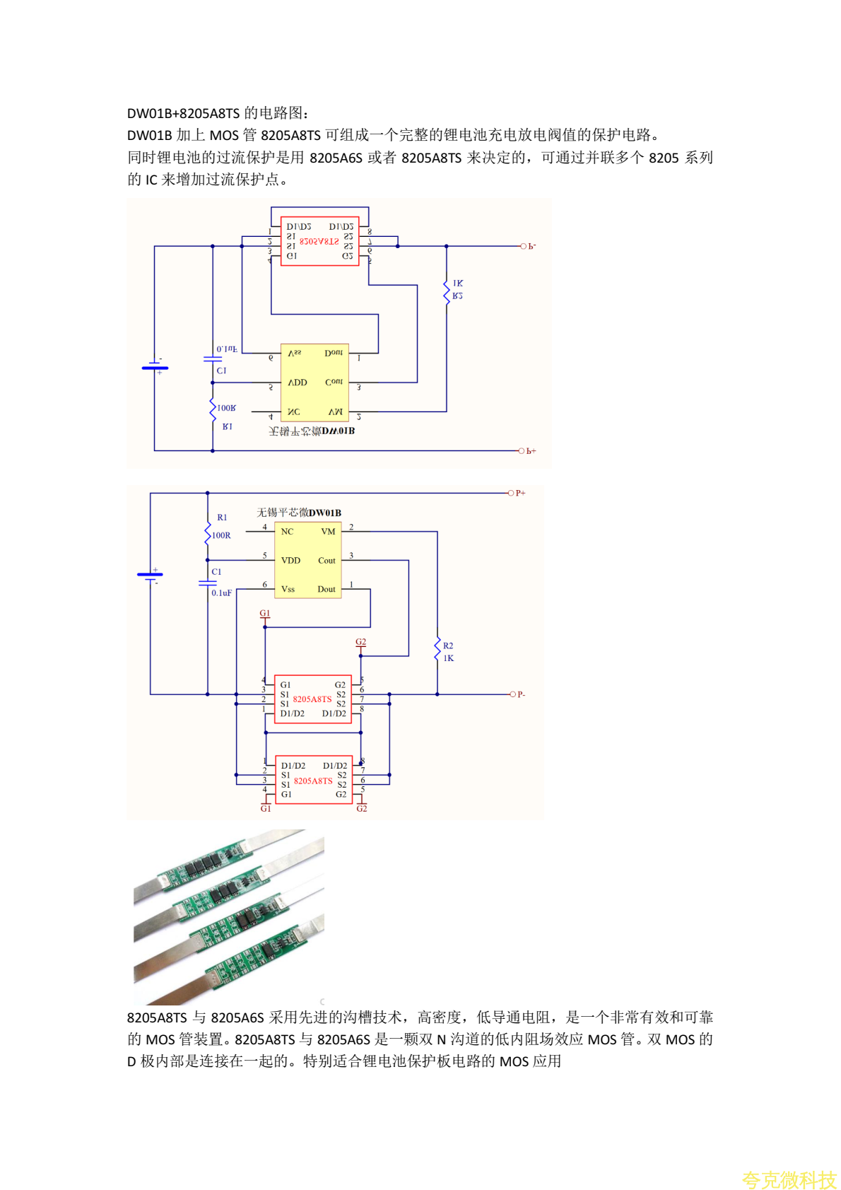
DW01B最新中文資料和電路圖
- 2021-03-06 17:42:00
 - 技術管理員 原創
 - 1599
 
                    
                    
                    
                  
 
                     
                     發錶評論 
                  
 
                  |  
                      
                       移動訪問 
                      
                     |