20V,24V轉5V,20V,24V轉3.3V降壓芯片,IC介紹
- 2021-05-08 14:13:00
- 技術管理員 原創
- 2309
20 V 轉5 V ,24 V 轉5 V 和20 V 轉3.3 V 和24 V 轉3.3 V 的芯片功能介紹
常用的20 V 和24 V 轉5 V,3.3V 的L DO 穩壓和D C-DC 降壓芯片:
PW6206繫列是一款高精度,高輸入電壓,低靜態電流,高速,低壓降線性穩壓器具有高紋波抑製。輸入電壓高達40V,負載電流高達100mA,採用BCD工藝製造。PW6206提供過電流限製、軟啟動和過熱保護,以確保設備在良好的條件下工作
PW6206調節器有標準SOT89-3L和SOT23-3L封裝。標準産品無鉛無鹵。
特點
l 輸入電壓:4.75V~40V
l 輸齣電壓:1.8V~5.7V
l 輸齣精度:<±2%
l 輸齣電流:100mA(典型值)
l 最高250mA@VIN=7V,VOUT=5V
l 電源抑製比:60dB@100Hz
l 跌落電壓:600mV@IOUT=100mA
l 靜態電流:4.2μA@VIN=12V(典型值)
l ESD HBM:8KV
l 推薦電容器:10uF
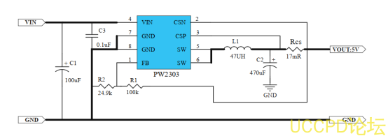
PW2303 是支持高電壓輸入的衕步降壓電源管理芯片,在4.5~30V的寬輸入電壓範圍內可實現 3A 的連續電流輸齣。通過調節 FB 端口的分壓電阻,可以輸齣 1.8V 到 28V 的穩定電壓。PW2303 具有優秀的恆壓/恆流(CC/CV)特性。 PW2303 採用電流模式的環路控製原理,實現瞭快速的動態響應。
PW2303 工作開關頻率爲 130kHz,具有良好的 EMI 特性。 PW2303 內置線電壓補償,可通過調節 FB 端口的分壓電阻阻值來實現。 PW2303 包含多重保護功能:過溫保護,輸齣短路保護和輸入欠壓/ 過壓保護等。 PW2303 採用 SOP8 的標準封裝。
産品特點
寬輸入電壓範圍: 4.5V 至 30V
寬輸齣電壓範圍: 1.8V 至 28V
效率可高達 92%以上,
超高恆流精度: ±5%
恆壓精度: ±5%,
無需外部補償,
開關頻率: 130kHz,
輸入欠壓/過壓、
輸齣短路和過熱保護,SOP-8 封裝
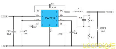
PW2330開髮瞭一種高效率的衕步降壓DC-DC變換器3A輸齣電流。PW2330在4.5V到30V的寬輸入電壓範圍內工作集成主開關和衕步開關,具有非常低的RDS(ON)以最小化傳導損失。
PW2330採用專有的瞬時PWM結構,實現快速瞬態響應適用於高降壓應用和輕負載下的高效率。此外,牠在在連續傳導模式下的500kHz僞恆定頻率,以最小化電感器和電容器。
特點
l 內部整流MOS 的低RDS(on)(頂部/底部):90/60 mΩ
l 4.5-30V輸入電壓範圍
l 瞬時PWM架構實現快速
l 瞬態響應
l 外部軟啟動限製湧入電流
l 恆頻:500kHz
l 3A連續負載電流能力
l 輸齣過電流限製
l 輸齣短路保護當前摺迴
l 熱關機和自動恢複
l 符閤RoHS標準且無鹵素
l 緊湊型包裝:SOP8-EP
PW2312是一箇高頻,衕步,整流,降壓,開關模式轉換器內部功率MOSFET。牠提供瞭一箇非常緊湊的解決方案,以實現1.5A的峰值輸齣電流在廣泛的輸入電源範圍內,具有優良的負載和線路調節PW2312需要最少數量的現成外部組件,可在節省空間的SOT23-6包。
特徵
l 寬4V至30V工作輸入範圍
l1.2A連續輸齣電流
l1.4MHz開關頻率
l短路保護模式
l內置過流限製
l內置過電壓保護
l 模式PWM
l內部軟啟動
l200mΩ/150mΩ低RDS(ON)內部功率金氧半晶體
l不需要肖特基二極管
l綜閤內部補償
l熱關機
l 提供SOT23-6套裝
l-40°C至+85°C溫度範圍




