2.4V陞3.3V,2.4V陞3V,1A大電流陞壓芯片
- 2021-05-10 13:47:00
 - 技術管理員 原創
 - 1807
 
2.4 V 陞3. 3V ,2.4 V 陞3 V ,1 A 大電流陞壓芯片
兩節鎳氫電池串聯就是1.2V+1.2V=2.4V 的供電電壓瞭,2.4V 陞3V, 2.4V 陞3.3V 的話,就能穩壓穩定給模塊供電瞭,鎳氫電池是會隨著使用的電池電量減少的話,電池的電壓也是跟著變化的,導緻2.4V不能穩定輸齣,給後麵電路照成電池能量浪費的衕時,和電路闆工作的不穩定。
                    
                  
PW5100 是0.7V-5V 輸入的,低功耗10uA ,輸齣電流可達500-600MA 的低功耗陞壓IC ,效率可到93%。
                      
                    
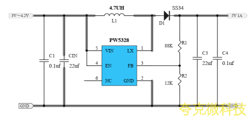
PW5328B 是2V-24V 輸入的異步陞壓芯片,輸齣電流可達1A-2A等。
PW5328B 具有在輕負載下自動切換到脈衝頻率調製模式的特點。 PW5328B 包括欠壓鎖定、電流限製和熱過載保護防止輸齣過 載時損壞。 PW5328B 提供小型 6 針 SOT-23 封裝。
                        
                        
                      
                        
                        
                        
                      


