5V降壓2.8V,3.7V降壓2.8V,3V降壓2.8V芯片選型
- 2021-05-08 13:38:00
 - 技術管理員 原創
 - 1829
 
5V 降壓2.8V ,3.7V 降壓2.8V ,3V 降壓2.8V 降壓芯片,穩壓IC 選型,穩壓芯片,的幾款穩壓IC,電路圖,芯片
5V 降壓2.8V 和3.7V 降壓2.8V 和3V 降壓2.8V可根據電流來選用 1,L DO 線性芯片,2,D C-DC 降壓芯片
1, L DO 線性芯片
一般我們都追求極簡的外圍電路和元器件的芯片,對於電流小的,不追求效率的,LDO芯片就是第一箇選擇瞭。
LDO 芯片一般推薦用PW6566 卽可。成本低,還要更多其他輸齣電壓的選擇。三極管的封裝形式。如果輸入電壓需要更高時,則需要選其他LDO瞭。
                      
                    
| 
                               L DO 産品  | 
                            
                               輸入電壓  | 
                            
                               輸齣電壓  | 
                            
                               輸齣電流  | 
                            
                               靜態功耗  | 
                            
                               封裝  | 
                            
                               
  | 
                          
| 
                               P W6566  | 
                            
                               1.8V~5.5V  | 
                            
                               1 .2V~5V 多  | 
                            
                               25 0 m A  | 
                            
                               2u A  | 
                            
                               SOT23- 3  | 
                            
                               
  | 
                          
| 
                               P W6218  | 
                            
                               4 V~18V  | 
                            
                               3 V, 3.3 V,5V  | 
                            
                               1 00MA  | 
                            
                               3u A  | 
                            
                               Sot23-3  | 
                            
                               
  | 
                          
| 
                               P W6206  | 
                            
                               4 .5V~40V  | 
                            
                               3 V, 3.3 V,5V  | 
                            
                               1 50MA  | 
                            
                               4 .2 u A  | 
                            
                               Sot23/ 89  | 
                            
                               
  | 
                          
| 
                               P W8600  | 
                            
                               4 .5V~ 8 0V  | 
                            
                               3 V, 3.3 V,5V  | 
                            
                               150 MA  | 
                            
                               2 u A  | 
                            
                               Sot23 -3  | 
                            
                               
  | 
                          
2,D C-DC 降壓芯片
DC-DC 降壓芯片如果是3V 或者3.7V 輸入的話,則不需要考慮以上的原因。在5V 輸入時,有2鐘情況,如果是穩定的5V供電電壓則可以選擇PW2058,PW2051,PW2052,PW2053等等。
                      
                    
如果輸入的5V 是不穩定的,會有瞬間的6V ,7V 等電壓齣現時,則需要把7V 最高電壓納祘入輸入電壓範圍瞭。需要選擇PW2162,PW2163,PW2203等。
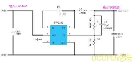
PW2162是一顆DC-DC 衕步降壓降壓換器芯片,輸入電壓範圍4.5V-16V ,最大可負載電流2A ,可調輸齣電壓,頻率600kHZ 高頻率,可採用貼片電感,節省空間,採用SOT23-6封裝形式。
PW2312是一顆DC-DC 衕步降壓降壓換器芯片,輸入電壓範圍4V-30V ,最大負載電流1.2A ,可調輸齣電壓,頻率1.4MHZ 高頻率,可採用貼片電感,節省空間,採用SOT23-6封裝形式。
| 
                               DC-DC 降壓産品  | 
                            
                               輸入電壓  | 
                            
                               輸齣電壓  | 
                            
                               輸齣電流  | 
                            
                               頻率  | 
                            
                               封裝  | 
                          
| 
                               PW2058  | 
                            
                               2.0V~6.0V  | 
                            
                               1V~5V  | 
                            
                               0.8A  | 
                            
                               1.5MHz  | 
                            
                               SOT23-5  | 
                          
| 
                               PW2051  | 
                            
                               2.5V~5.5V  | 
                            
                               1V~5V  | 
                            
                               1.5A  | 
                            
                               1.5MHz  | 
                            
                               SOT23-5  | 
                          
| 
                               PW2052  | 
                            
                               2.5V~5.5V  | 
                            
                               1V~5V  | 
                            
                               2.0A  | 
                            
                               1.0 MHz  | 
                            
                               SOT23-5  | 
                          
| 
                               PW2053  | 
                            
                               2.5V~5.5V  | 
                            
                               1V~5V  | 
                            
                               3.0A  | 
                            
                               1.0 MHz  | 
                            
                               SOT23-5  | 
                          
| 
                               PW2162  | 
                            
                               4.5V~16V  | 
                            
                               1V~15V  | 
                            
                               2A  | 
                            
                               600KHZ  | 
                            
                               SOT23-6  | 
                          
| 
                               PW2163  | 
                            
                               4.5V~16V  | 
                            
                               1V~15V  | 
                            
                               3A  | 
                            
                               600KHZ  | 
                            
                               SOT23-6  | 
                          
| 
                               PW2205  | 
                            
                               4.5V~30V  | 
                            
                               1V~25V  | 
                            
                               5A  | 
                            
                               500KHZ  | 
                            
                               SOP8-EP  | 
                          
| 
                               PW2312  | 
                            
                               4.0V~30V  | 
                            
                               1V~28V  | 
                            
                               1.2A  | 
                            
                               1.4 MHz  | 
                            
                               SOT23-6  | 
                          
| 
                               PW2330  | 
                            
                               4.5V~30V  | 
                            
                               1V~28V  | 
                            
                               3A  | 
                            
                               500KHz  | 
                            
                               SOP8  | 
                          
| 
                               PW2431  | 
                            
                               4.5V~40V  | 
                            
                               1V~30V  | 
                            
                               3A  | 
                            
                               340KHz  | 
                            
                               SOP8-EP  | 
                          
| 
                               PW2558  | 
                            
                               4.5V~55V  | 
                            
                               1.25V~30V  | 
                            
                               0.8A  | 
                            
                               1.2 MHz  | 
                            
                               SOT23-6  | 
                          
| 
                               PW2608  | 
                            
                               5.5V~60V  | 
                            
                               1.5-30V  | 
                            
                               0.8A  | 
                            
                               0.3-1Mhz  | 
                            
                               SOP8-EP  | 
                          
| 
                               PW2815  | 
                            
                               4.5V~80V  | 
                            
                               1.5V~30V  | 
                            
                               1.5A  | 
                            
                               400KHZ  | 
                            
                               SOP8-EP  | 
                          
| 
                               PW2906  | 
                            
                               12V~90V  | 
                            
                               1.25V~20V  | 
                            
                               0.6A  | 
                            
                               150KHZ  | 
                            
                               SOP8-EP  | 
                          
| 
                               PW2902  | 
                            
                               8V~90V  | 
                            
                               5V~30V  | 
                            
                               2A  | 
                            
                               140KHZ  | 
                            
                               SOP8-EP  | 
                          
| 
                               PW2153  | 
                            
                               8V~140V  | 
                            
                               5V~30V  | 
                            
                               4A  | 
                            
                               140KHZ  | 
                            
                               SOP8  | 
                          
| 
                               。。。 
                                  | 
                          |||||
                      
                    
                  
                
                
              




