3.7V转3.3V,3.7V转1.5V芯片,PW2058和PW2059的中文规格书
- 2021-03-06 16:40:00
 - 技术管理员 原创
 - 1717
 
PW2058/PW2059 是一种恒频、电流模式降压转换器。该器件集成了一个主开关和一个同步整流器,无需外加肖特基二极管就可以实现高效率。它是用单电池锂离子电池为便携式设备供电的理想选择。输出电压可调低至 0.6V , PW2058/PW2059 还可在 100% 的占空比下进行低电压降操作,延长了便携式系统的电池寿命。该装置提供 PWM 控制和 PFM 模式开关控制两种工作模式,可在更宽的负载范围内实现高效率。
                    特征
                    ⚫效率高达 
                    96%
                    ⚫ 
                    1.5MHz 恒频运行
                    ⚫ 
                    800mA 输出电流
                    ⚫不需要肖特基二极管
                    ⚫ 
                    2V 至 
                    6V 输入电压范围
                    ⚫输出电压低至 
                    0.6V
                    ⚫低负载下高效率的 
                    PFM 模式
                    ⚫退出运行时 
                    100%占空比
                    ⚫低静态电流: 
                    20μ 
                    A
                    ⚫ 斜坡补偿电流模式控制,以获得良好的线路和负载瞬态响应
                    ⚫短路保护
                    ⚫热故障保护
                    ⚫涌流限制和软启动
                    ⚫ 
                    <1μA 关断电流
                    ⚫ 
                    SOT23-5 包 
                    应用
                    ⚫ 移动电话和智能手机
                    ⚫ 无线和 
                    DSL 调制解调器
                    ⚫ 
                    PDA 系统
                    ⚫ 便携式仪器
                    ⚫ 数码相机和摄像机
                    ⚫ 数字电视 
                    
                    代理商:深圳市夸克微科技 郑先生 :13528458039 QQ 2867714804
                    
                    
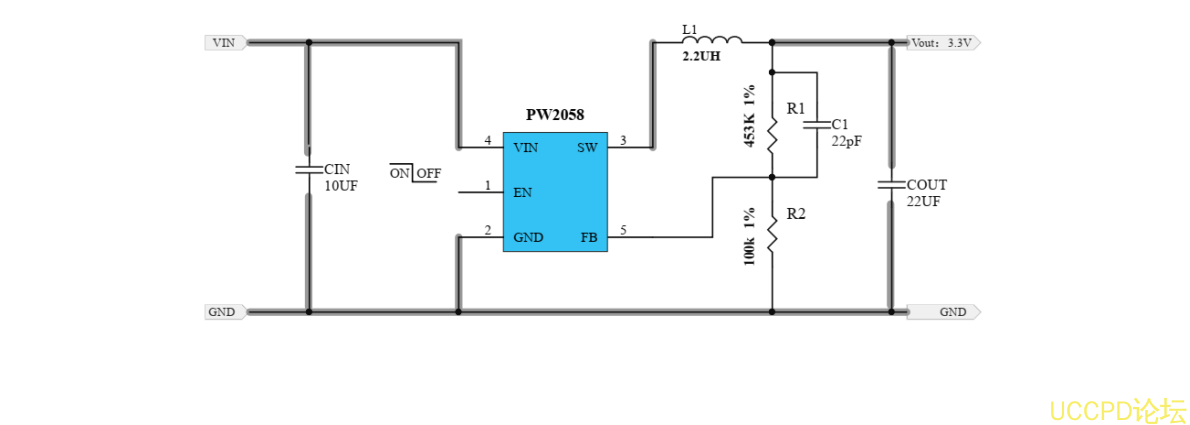
                    典型应用电路 
                    
                     
                  



