5V转1.2V,5V转1.8V降压芯片,PW2057的中文规格书
- 2021-03-06 16:54:00
 - 技术管理员 原创
 - 1916
 
PW2057 是一个恒频、电流模式降压转换器。该器件集成了一个主开关和一个同步整流器,无需外加肖特基二极管就可以实现高效率。它是用单电池锂离子电池为便携式设备供电的理想选择。 100%的占空比能力延长了便携式设备的电池寿命,而空载时静态电流为 200μ A,关机时降至 <1μ A。
特征
⚫ 效率高达 95%
⚫ 1.0MHz 频率运行
⚫ 2.2V 至 5.5V 输入电压范围
⚫ 电流模式运行,实现卓越的线路和负载瞬态响应
⚫ 低静态电流: 200μA
⚫ 输出电压: 3.3V, 1.8 伏, 1.2 伏
⚫ 自动 PWM/PFM 模式切换
⚫ 不需要肖特基二极管
⚫ 短路保护
⚫ 停机静态电流: <1μA
⚫ 轻薄型 SOT-23-5L 套装(无铅)
应用
⚫ 数码相机和 MP3
⚫ 掌上电脑 /PDA
⚫ 移动电话
⚫ PC 卡
⚫ 便携式媒体播放器
代理商:深圳市夸克微科技 郑先生 :13528458039 QQ 2867714804
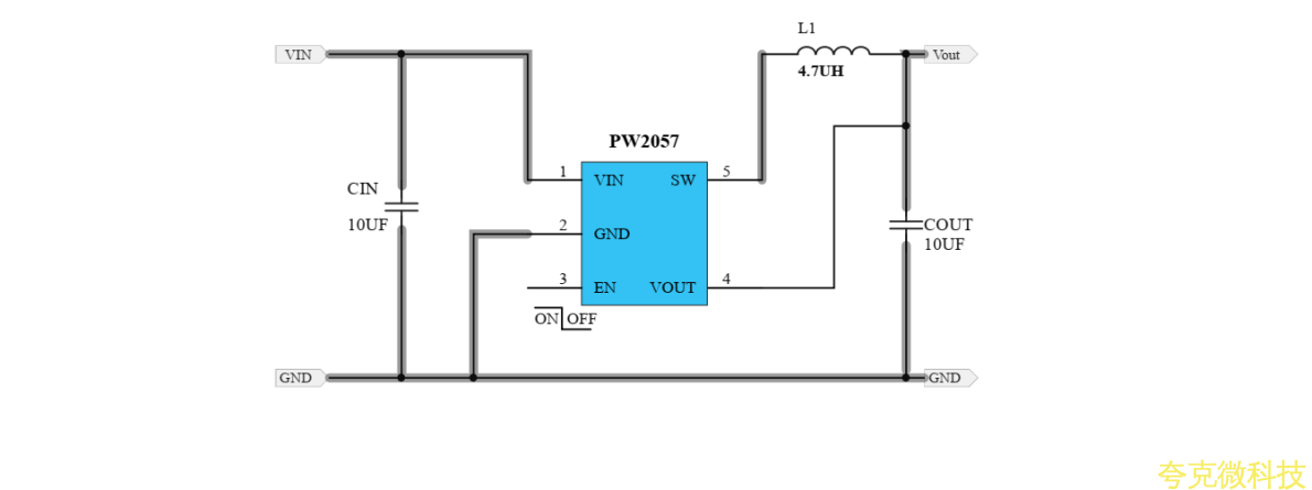
典型应用电路
                    
                  
 
                     
                     发表评论 
                  
 
                  
