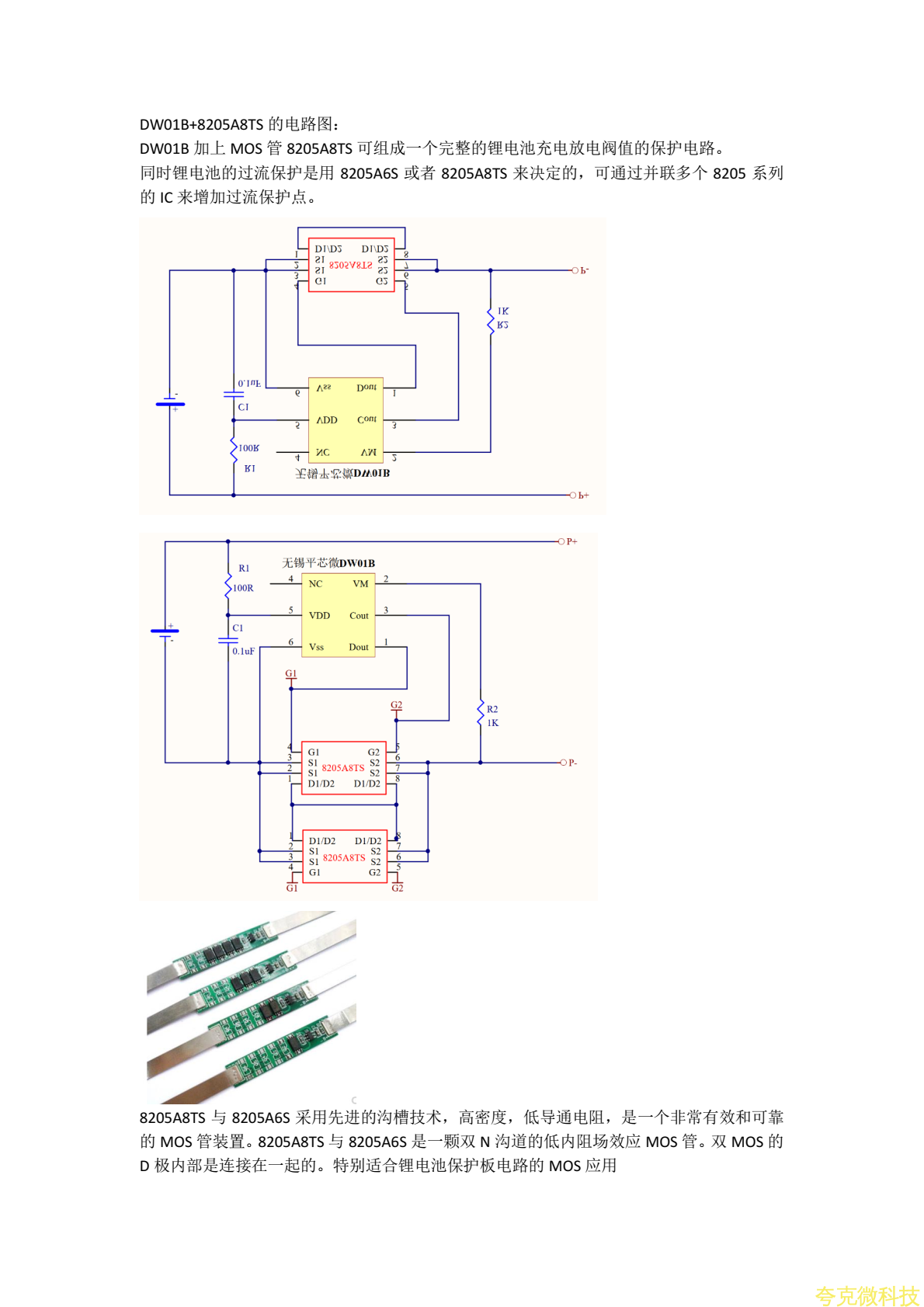
DW01B最新中文资料和电路图
- 2021-03-06 17:42:00
 - 技术管理员 原创
 - 1598
 
                    
                    
                    
                  
 
                     
                     发表评论 
                  
 
                  |  
                      
                       移动访问 
                      
                     |