18V转5V,15V转5V的LDO和DC芯片方案
- 2021-04-14 11:21:00
- 技术管理员 原创
- 2293
芯片的选择,特别是输入电压,在低电平 5V 以下的,基本上都是接近也可以。但是 5V 以上,如现在的 18V 和 15 的话,就不一样了。我们需要在选择芯片时,无法选择最高输入电压 18V 和 20V 的电源芯片,需要提供至少 5V 以上的余量,正常我们标准是选择最低 24V,需要做优化出来,一般选择是在 30V
在这里我们推荐的是 PW6206,输入电压 4V-40V 的。 PW6206 提供 3V,3.3V, 5V输出电压选择,静态电流 4.2uA。 PW6206 标准 SOT23-3L 封装。产品无铅无卤。
18V 转 5V, 15V 转 5V 的电源芯片
PW2330 开发了一种高效率的同步降压 DC-DC 转换器 3A 输出电流。PW2330 在 4.5V 到 30V
宽输入电压范围内工作集成主开关和同步开关,具有非常低的 RDS(ON)以最小化传导
损失。 P
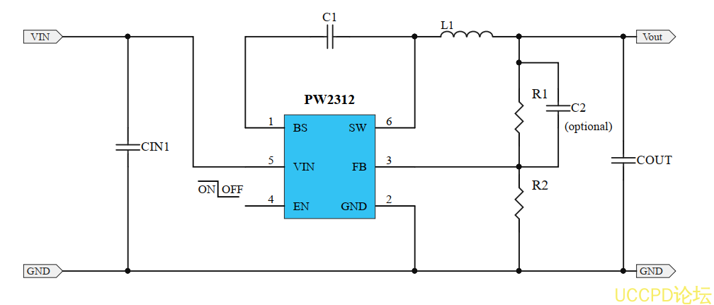
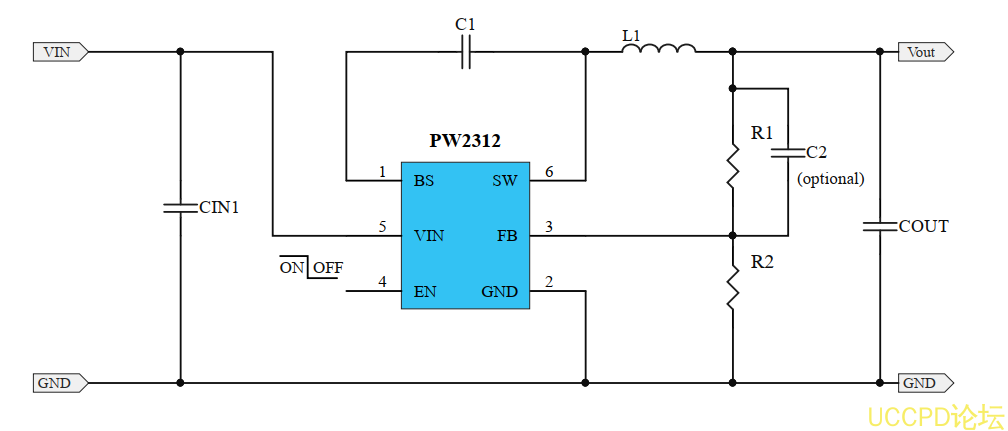
PW2312 是一颗高频率,同步整流降压开关转换器,内部集成了功率 MOS 管,节省了
外部肖特基二极管,并提高了效率, PW2312 采用 SOT23-6 的封装形式,可最大 1.5A 的输
出电流。
PW2312 具有宽范围的输入电压: 4V-30V,可调的输出电压,最大输出电流 1.5A.
18V 转 15V 降压芯片, 18V 转 12V 降压芯片, 18V 转 9 降压芯片 V, 18V 转 5V 降压芯片,
18V 转 3.3V 降压芯片, 18V 转 3V 降压芯片, 18V 转 1.8V 降压芯片, 18V 转 1.5V 降压芯片.18V 转 1.2V 降压芯片.
18V 转 15V 稳压芯片, 18V 转 12V 稳压芯片, 18V 转 9 稳压芯片 V, 18V 转 5V 稳压芯片,
18V 转 3.3V 稳压芯片, 18V 转 3V 稳压芯片, 18V 转 1.8V 稳压芯片, 18V 转 1.5V 稳压芯片.18V 转 1.2V 稳压芯片











