24V转5V降压芯片,24V转3.3V的稳压芯片,中文规格书
- 2021-04-14 11:42:00
 - 技术管理员 原创
 - 1747
 
PW2312 是一个高频,同步,整流,降压,开关模式转换器内部功率 MOSFET。它提供了一个非常紧凑的解决方案,以实现 1.5A 的峰值输出电流在广泛的输入电源范围内,具有优良的负载和线路调节 PW2312 需要最少数量的现成外部组件,可在节省空间的 SOT23-6 包。
                    
                  
                    特征
                    ⚫ 宽 
                    4V 至 
                    30V 工作输入范围
                    ⚫ 
                    1.2A 连续输出电流
                    ⚫ 
                    1.4MHz 开关频率
                    ⚫ 短路保护模式
                    ⚫ 内置过流限制
                    ⚫ 内置过电压保护
                    ⚫ 力模式 
                    PWM
                    ⚫ 内部软启动
                    ⚫ 
                    200mΩ 
                    /150mΩ低 
                    RDS(
                    ON)内部功率金氧半电晶体
                    ⚫ 
                    0.8V 输出可调
                    ⚫ 不需要肖特基二极管
                    ⚫ 综合内部补偿
                    ⚫ 热关机
                    ⚫ 提供 
                    SOT23-6 套装
                    ⚫ 
                    -40° 
                    C 至
                    +85° 
                    C 温度范围 
                  
                    
                  
                    应用
                    ⚫ 闭路电视摄像机
                    ⚫ 平板电视和显示器
                    ⚫ 电池充电器
                    ⚫ 分布式电力系统 
                  
                    
                  
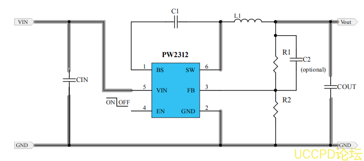
典型应用电路
                    
                  
                    
                    L1 
                    推荐 
                    2.2-4.7UH
                    , 
                    CIN 
                    推荐 
                    47-220uF 
                    同时并联 
                    0.1uF
                    , 
                    COUT 
                    建议 
                    22uF 
                    两个并联 
                    引脚分配
                    /
                    说明 
                    
                  
                    
                  
                    
                  
绝对最大额定值(注 1/2 )
                    
                  
                    注:
(
                    1
                    ) 超过这些额定值可能会损坏设备。
(
                    2
                    ) 不能保证设备在其工作条件外正常工作。 
                  
                    
                  
                    功能描述
                    PW2312 是一种电流模式降压型 
                    DC/DC 转换器,可提供优良的瞬态特性响应没有额外的外部补偿组件。此设备包含内部低电阻,高压功率 
                    MOSFET,并在高 
                    1.4MHz 工作频率下工作确保紧凑、高效的设计,具有出色的交直流性能。 
                  
                    
                  
                    误差放大器
误差放大器将 
                    FB 
                    引脚电压与内部 
                    FB 
                    基准(
                    VFB
                    )进行比较,并输出 
                    a 
                    电流与两者之差成正比。该输出电流随后用于充电或放电内部补偿网络,这是用来控制功率 
                    MOSFET 
                    电流。优化后的内部补偿网络使外部元件的数量和简化了控制回路设计。 
                  
                    
                  
                    内部软启动
软启动是为了防止变频器输出电压在启动。当芯片启动时,内部电路产生一个软启动电压(
                    SS
                    )上升从 
                    0V 
                    到 
                    0.807V
                    。当低于内部参考(
                    REF
                    )时, 
                    SS 
                    覆盖 
                    REF
                    ,因此错误发生放大器以 
                    SS 
                    为基准。当 
                    SS 
                    高于 
                    REF 
                    时, 
                    REF 
                    恢复控制。时间就是时间内部最大为 
                    1.2ms
                    。 
                  
                    
                  
                    过电流保护和短路
当电感器电流峰值超过设置电流限制阈值。同时,输出电压开始下降,直到 
                    FB 
                    低于欠电压(
                    UV
                    )阈值,通常低于参考值 
                    25%
                    。一旦一个紫外线被触发,就会进入打嗝模式以定期重新启动部件。当输出为对地完全短路。平均短路电流大大降低,以减轻热并保护监管者。一旦过电流情况出现,则退出 
                    hiccup 
                    模式远离的。
                  
                    
                  
                    启动和关闭
如果 
                    VIN 
                    和 
                    EN 
                    都高于相应的阈值,则芯片启动。对比试块首先启动,产生稳定的参考电压和电流,然后内部调节器启用。调节器为其余电路提供稳定的电源。三个事件可以结束芯片下降: 
                    EN 
                    低, 
                    VIN 
                    低和热关机。在关闭程序中,信号首先阻塞路径以避免任何故障触发。 
                    补偿电压和内部供电轨是然后拉下来。浮动驱动器不受此关闭命令的约束 
                  
                    
                  
                    申请信息
设置输出电压
                  
PW2312 需要一个输入电容器、一个输出电容器和一个电感器。这些组件是对设备性能至关重要。 PW2312 为内部补偿,不需要外部元件实现稳定运行。输出电压可由电阻器编程分隔线
                    
                  
                    
                  
                    选择感应器
推荐的电感器值如应用图所示。重要的是保证电感器铁芯在任何可预见的操作情况下不会饱和。这个电感器应额定处理峰值负载电流加上纹波电流:应小心当检查不同的饱和电流额定值时制造商。饱和电流额定值通常规定为 
                    25
                    ° 
                    C
                    ,因此额定值为最大值应用环境温度应向制造商索取 
                    
                  
式中,Δ IL 是电感器纹波电流。选择电感器纹波电流约为 30% ,如果最大负载电流。最大电感器峰值电流为:
                    
                  
在 100mA 以下的轻载条件下,建议采用较大的电感改善效率。
                    选择输出电容器
在选择这些部件时应特别注意。这些电容器的直流偏压可能导致电容值低于建议的最小值电容器规格表。陶瓷电容器的实际电容随温度而变化。在
                    -
                    55
                    ° 
                    C 
                    至
                    +125
                    ° 
                    C 
                    的温度范围内工作的 
                    X7R 
                    型电容器仅使电容变化在±
                    15%
                    范围内。 
                    X5R 
                    型电容器的公差与温度范围为
                    -
                    55
                    ° 
                    C
                    至
                    +85
                    ° 
                    C
                    。许多大于 
                    1uF 
                    的大值陶瓷电容器采用 
                    Z5U 
                    或 
                    Y5V 
                    温度特性制造。他们的电容会下降超过 
                    50%
                    ,因为温度在 
                    25
                    ° 
                    C 
                    到 
                    85
                    ° 
                    C 
                    之间变化。因此建议在 
                    Z5U 
                    上使用 
                    X5R 
                    或 
                    X7R
                    在环境温度显著高于或低于环境温度变化的应用中 
                    25 
                    摄氏度。钽电容器不如陶瓷电容器作为输出电容器,因为它们是当比较 
                    0.47uF 
                    到 
                    44uF 
                    的等效电容和电压额定值时,更昂贵范围。 
                    另一个重要的考虑因素是钽电容器的 
                    ESR 
                    值比等效尺寸陶瓷。这意味着,虽然有可能找到一个钽电容器一个 
                    ESR 
                    值在稳定范围内,它必须在电容上更大(这意味着更大更昂贵)比相同
                    ESR 
                    值的陶瓷电容器。还应注意的是当温度从 
                    25
                    ° 
                    C 
                    降至
                    -
                    40
                    ° 
                    C 
                    时,典型钽的 
                    ESR 
                    将增加约 
                    2:1 
                    所以必须允许一些保安带。 
                  
                    
                  
                    
                    
                    
                    
                    
                    
                  
                    
                    
                    
                    
                    
                    
                    
                     
                    
                    
                  











