3.7V降压3V,5V降压3V的升降压电路和芯片
- 2021-05-08 12:01:00
- 技术管理员 原创
- 2483
3.7V 降压3V ,5V 降压3V 高效率降压芯片,超低功耗稳压芯片,的几款降压IC ,的降压芯片和LDO,芯片选型说明,降压芯片,稳压芯片,电路图芯片
3.7V 降压3V ,5V 降压3V 的电路和芯片解决方案有2种: 1,降压芯片, 2,L DO 芯片。
解决方案1,降压芯片
3.7V 大家都知道是锂电池多,确实是3.7V 锂电池的话,锂电池的充满电和放电后的电压变化是在:3V-4.2V 之间,带保护板的锂电池。3V 输入降压3V 的话,降压芯片的占空比都是95%以上,输出电压能在2.8V 左右。一般都可以接受就不用到升降压芯片PW2228A了.
5V 输入分2种情况,1是稳定的5V 电源,2是不稳定的5V 电源,有时电压会高于5V ,或者经常拔插尖峰电压高于6V等。就需要更高输入的降压芯片来完成工作。
降压产品
输入电压
输出电压
输出电流
频率
封装
PW2058
2.0V~6.0V
1V~5V
0.8A
1.5MHz
SOT23-5
PW2051
2.5V~5.5V
1V~5V
1.5A
1.5MHz
SOT23-5
PW2052
2.5V~5.5V
1V~5V
2.0A
1.0 MHz
SOT23-5
PW2053
2.5V~5.5V
1V~5V
3.0A
1.0 MHz
SOT23-5
PW2162
4.5V~16V
1V~15V
2A
600KHZ
SOT23-6
PW2163
4.5V~16V
1V~15V
3A
600KHZ
SOT23-6
PW2205
4.5V~20V
1V~15V
5A
340KHZ
SOP8-EP
PW2312
4.0V~30V
1V~28V
1.2A
1.4 MHz
SOT23-6
PW2330
4.5V~30V
1V~28V
3A
130KHz
SOP8
PW2431
4.5V~40V
1V~30V
3A
340KHz
SOP8-EP
PW2558
4.5V~55V
1.25V~30V
0.8A
1.2 MHz
SOT23-6
PW2608
5.5V~60V
1.5-30V
0.8A
0.3-1Mhz
SOP8-EP
PW2815
4.5V~80V
1.5V~30V
1.5A
400KHZ
SOP8-EP
PW2906
12V~90V
1.25V~20V
0.6A
150KHZ
SOP8-EP
PW2902
8V~90V
5V~30V
2A
140KHZ
SOP8-EP
PW2153
8V~140V
5V~30V
4A
140KHZ
SOP8
。。。
如上表,我们的出方案:
方案1:3.7V 和稳定5V输入的降压芯片:
|
降压产品 |
输入电压 |
输出电压 |
输出电流 |
|
PW2057 |
2.0V~6.0V |
3.3V,1.8V,1.2V |
0.7A |
|
PW2058 |
2.0V~6.0V |
1V~5V |
0.8A |
|
PW2051 |
2.5V~5.5V |
1V~5V |
1.5A |
|
PW2052 |
2.5V~5.5V |
1V~5V |
2.0A |
|
PW2053 |
2.5V~5.5V |
1V~5V |
3.0A |
PW2051/2/3/8/7 内置功率 MOSFET, 集成了过压、过流、过热、短路等诸多保护电路,在超过控制值时会自动断开,以保护芯片。产品结合了微型封装和低消耗电流等特点,最适合在移动设备的电源内部使用。
PW2057 是不同的PIN 脚,脚位,PW2058/1/2/3 都是相同的PCB布局和电路。
方案2:不稳定的5V 输入和比5V高电压产生的的。
|
PW2162 |
4.5V~16V |
可调输出电压 |
2A |
|
PW2163 |
4.5V~16V |
可调输出电压 |
3A |
|
PW2205 |
4.5V~20V |
可调输出电压 |
5A |
|
PW2312 |
4.0V~30V |
可调输出电压 |
1.2A |
虽然输入电压是宽些,但是这个不是重点,注意是看输出电流来选择合适的芯片了。
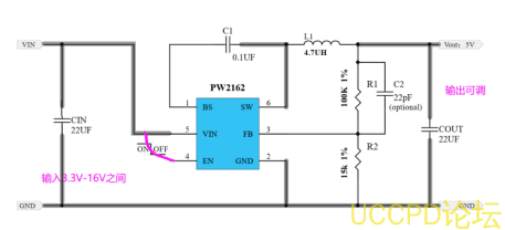
常用的都是PW2162这款看起来最多了。
解决方案2,L DO 芯片
LDO由于是线性降压,所以外围少,静态功耗低,但是就是工作功耗高,效率不高,这点也是常识了。
LDO 输入稳定的5V 的话,就是PW6566 了,输出固定3V ,外围就是2个电容,SOT23-3三极管封装。
其他都是更高输入电压范围,用来做5V也是可以的。
LDO产品输入电压输出电压输出电流静态功耗封装
PW6566 1.8V~5.5V1.2V~5V多250mA 2uASOT23-3
PW6218 4V~18V 3V,3.3V,5V100MA 3uASot23-3
PW6206 4.5V~40V3V,3.3V,5V150MA 4.2uASot23/89
PW8600 4.5V~80V3V,3.3V,5V150MA 2 uASot23-3





