9V降压5V,12V降压5V的降压和LDO方案
- 2021-05-08 13:55:00
- 技术管理员 原创
- 2477
9V 降压5V ,12V 降压5V 降压芯片和LDO ,稳压芯片选型,几款降压芯片方案,电源芯片方案,降压芯片方案,大电流3A 方案和LDO ,3A 和40V耐压LDO,低功耗恒压稳压芯片,固定稳定输出芯片,低纹波大电流方案芯片
9V 降压5V 降压芯片,12V 降压5V 降压芯片,9V 降压5V 稳压芯片,12V 降压5V稳压芯片,
9V 降压5V 恒压输出方案,12V 降压5V输出的恒压降压方案,9V 降压5V 的LDO 芯片,12V 降压5V 的LDO芯片。
9V 和12V 是两个很相邻的电压,所以再电路上,特别是再降压电路中,基本上效率和工作稳定的相差不是很大的,我们在芯片的选型上也能可以在同一个范围内了。9V 降压5V ,和12V 降压5V有两种解决方案: 1,D C-DC 降压方案,2,L DO 稳压方案
1,D C-DC 降压方案
9V 和12V输入两种电压差比较低,同时又因为这两个电压值是比较常规的电压值了,所以在电源芯片上,大家都把范围做到互相兼容了。基本都是能互相兼容。
|
降压产品 |
输入电压 |
输出电压 |
输出电流 |
频率 |
封装 |
|
PW2058 |
2.0V~6.0V |
1V~5V |
0.8A |
1.5MHz |
SOT23-5 |
|
PW2051 |
2.5V~5.5V |
1V~5V |
1.5A |
1.5MHz |
SOT23-5 |
|
PW2052 |
2.5V~5.5V |
1V~5V |
2.0A |
1.0 MHz |
SOT23-5 |
|
PW2053 |
2.5V~5.5V |
1V~5V |
3.0A |
1.0 MHz |
SOT23-5 |
|
PW2162 |
4.5V~16V |
1V~15V |
2A |
600KHZ |
SOT23-6 |
|
PW2163 |
4.5V~16V |
1V~15V |
3A |
600KHZ |
SOT23-6 |
|
PW2205 |
4.5V~30V |
1V~25V |
5A |
500KHZ |
SOP8-EP |
|
PW2312 |
4.0V~30V |
1V~28V |
1.2A |
1.4 MHz |
SOT23-6 |
|
PW2330 |
4.5V~30V |
1V~28V |
3A |
500KHz |
SOP8 |
|
PW2431 |
4.5V~40V |
1V~30V |
3A |
340KHz |
SOP8-EP |
|
PW2558 |
4.5V~55V |
1.25V~30V |
0.8A |
1.2 MHz |
SOT23-6 |
|
PW2608 |
5.5V~60V |
1.5-30V |
0.8A |
0.3-1Mhz |
SOP8-EP |
|
PW2815 |
4.5V~80V |
1.5V~30V |
1.5A |
400KHZ |
SOP8-EP |
|
PW2906 |
12V~90V |
1.25V~20V |
0.6A |
150KHZ |
SOP8-EP |
|
PW2902 |
8V~90V |
5V~30V |
2A |
140KHZ |
SOP8-EP |
|
PW2153 |
8V~140V |
5V~30V |
4A |
140KHZ |
SOP8 |
|
。。。 |
|||||
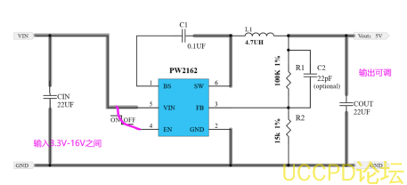
PW2162 和PW2163 ,输入3.3V-16V 的宽范围内,最大输出电流2A 和3A 的选择。同时PIN也是一样,可以很方便地设计和测试应用。
PW2312是一颗DC-DC 同步降压降压换器芯片,输入电压范围4V-30V ,最大负载电流1.2A ,可调输出电压,频率1.4MHZ 高频率,可采用贴片电感,节省空间,采用SOT23-6封装形式。
R1,R2为反馈电阻,通过两个电阻的阻值来调输出电压。
L1为电感,可选用贴片电感:屏蔽电感,功率电感等,电感饱和电流越大和体积越大也能最大化效率和温度。
2,L DO 稳压方案
9 V 和12 V 输入的线性L DO ,建议可选用输入电压范围宽的P W6206 ,稳压 5V 和3.3 V ,3 V 等
LDO产品输入电压输出电压输出电流静态功耗封装
PW6566 1.8V~5.5V1.2V~5V多250mA 2uASOT23-3
PW6218 4V~18V 3V,3.3V,5V 100MA 3uA Sot23-3
PW6206 4.5V~40V 3V,3.3V,5V 150MA 4.2uA Sot23/89
PW8600 4.5V~80V3V,3.3V,5V150MA 2 uASot23-3





