深圳市夸克微科技有限公司 
                
 
                | 联系人: | 郑先生 | 
|---|---|
| 电话: | 13528458039 | 
| Email: | zqf@kkmicro.com | 
| QQ: | 2867714804 | 
| 微信: | 13528458039 | 
| 地址: | 深圳市南山区蛇口街道渔一社区后海大道1021号BC座B303A16 | 
 24V转5V,24V转3.3V降压芯片规格书,1MA-4A
详情
 
                  一般说明
PW6206 系列是一款高精度,高输入电压,低静态电流,高速,低压降线性稳压器具有高纹波抑制。在 VOUT=5V&VIN=7V 时,输入电压高达 40V,负载电流高达 300mA,采用 BCD 工艺制造。PW6206 提供过电流限制、软启动和过热保护,以确保设备在良好的条件下工作
PW6206 调节器有标准 SOT89-3L 和 SOT23-3L 封装。标准产品无铅无卤。
特点
⚫ 输入电压:4.75V~40V
⚫ 输出电压:1.8V~5.7V
⚫ 输出精度:<±2%
⚫ 输出电流:150mA(典型值)
⚫ 最高 300mA@VIN=7V,VOUT=5V,PW6206B50HV 封装
⚫ 电源抑制比:60dB@100Hz
⚫ 跌落电压:600mV@IOUT=100mA
⚫ 静态电流:4.2μA@VIN=12V(典型值)
⚫ ESD HBM:8KV
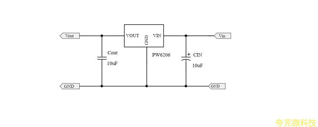
⚫ 推荐电容器:10uF
应用
⚫ 智能电表
⚫ 车内娱乐
⚫ 电动自行车
典型应用电路
                  
                  
                  
 
                PW6206 系列是一款高精度,高输入电压,低静态电流,高速,低压降线性稳压器具有高纹波抑制。在 VOUT=5V&VIN=7V 时,输入电压高达 40V,负载电流高达 300mA,采用 BCD 工艺制造。PW6206 提供过电流限制、软启动和过热保护,以确保设备在良好的条件下工作
PW6206 调节器有标准 SOT89-3L 和 SOT23-3L 封装。标准产品无铅无卤。
特点
⚫ 输入电压:4.75V~40V
⚫ 输出电压:1.8V~5.7V
⚫ 输出精度:<±2%
⚫ 输出电流:150mA(典型值)
⚫ 最高 300mA@VIN=7V,VOUT=5V,PW6206B50HV 封装
⚫ 电源抑制比:60dB@100Hz
⚫ 跌落电压:600mV@IOUT=100mA
⚫ 静态电流:4.2μA@VIN=12V(典型值)
⚫ ESD HBM:8KV
⚫ 推荐电容器:10uF
应用
⚫ 智能电表
⚫ 车内娱乐
⚫ 电动自行车
典型应用电路
                    
                    
                    
                    代理商:深圳市夸克微科技 
郑先生 :13528458039 
                  
QQ 2867714804
                    
                  
 
                       
                       发表评论 
                    
 
                    